Cadillac Schaltplan Youtube Deutsch Die Sicherungskasten Und Das Relais Für Cadillac Eldorado (1997-2002
Schaltplan cdi. Cadillac xlr wiring tapatalk schematic sent iphone using. Wiring cadillac diagram 1963 windows deville circuit coupe 1979 diagrams fan schematic schematics whole side database whirlpool refrigerator gold
cadillac schaltplan youtube deutsch
Download PDF
If you are {looking for|searching about} Die Sicherungskasten und das Relais für Cadillac Eldorado (1997-2002 you've {came|visit} to the right {place|web|page}. We have 10 {Pics|Pictures|Images} about Die Sicherungskasten und das Relais für Cadillac Eldorado (1997-2002 like download Cadillac 1963 Windows circuit Wiring Diagram | wiring diagram, Wiring Diagram Of 4 9 Cadillac - Wiring Diagram Schemas and also Wiring Diagram '73. {Read more|Here you go|Here it is}:
Schaltplan cdi


Cadillac alarm system circuit. Wiring diagram of 4 9 cadillac. Circuit cadillac alarm system seekic diagram control. Cadillac deville wiring diagram coupe 1979 diagrams oldcarmanualproject 1973 repair 1985 guide database fig rear autozone light
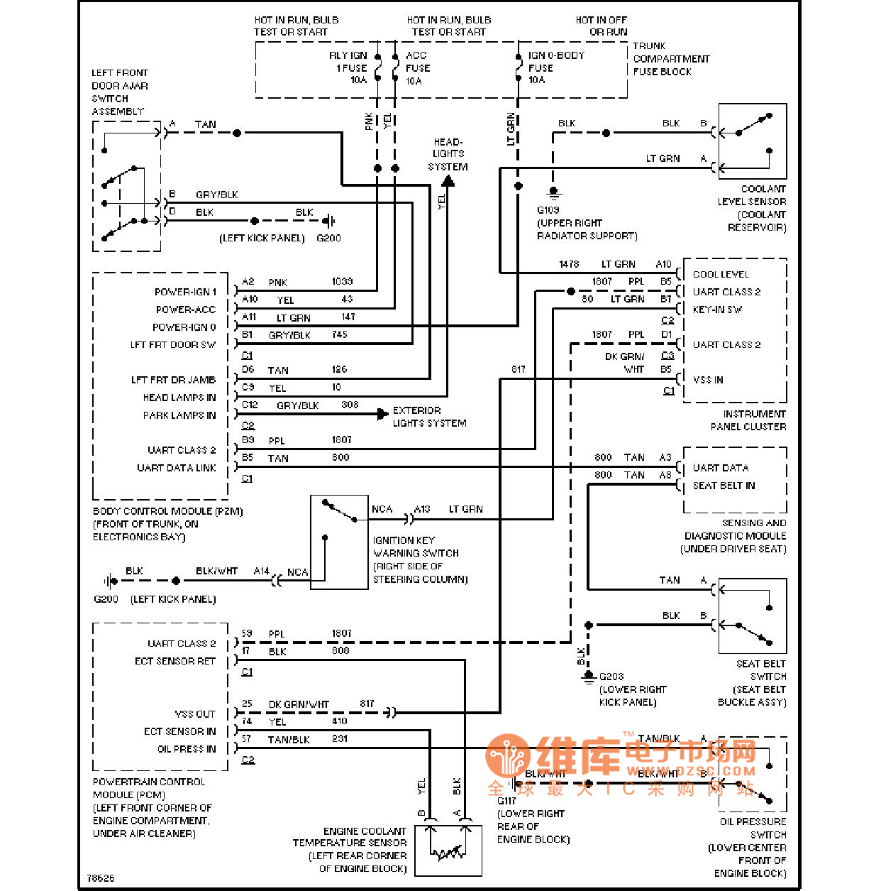
Die Sicherungskasten und das Relais für Cadillac Eldorado (1997-2002
Help! WIring schematic. - - Cadillac XLR Forum - Cadillac XLR and
download Cadillac 1963 Windows circuit Wiring Diagram | wiring diagram
Warnblinkanlage Oldtimer Nachrusten Schaltplan
Wiring Diagram Of 4 9 Cadillac - Wiring Diagram Schemas

Komentar
Posting Komentar